瑞芯微RK3588J如何通过GM8775C实现双通道LVDS高能显示方案
前言
在工业控制、车载显示及医疗器械领域,瑞芯微(Rockchip)RK3588J 凭借其强大的 8K 算力和工业级宽温特性,已成为高性能国产化平台的首选。然而,RK3588J 原生主要提供 MIPI DSI、HDMI 或 DP 输出,在面对大尺寸、高分辨率的工业级 LVDS 液晶屏时,如何实现稳定、低延迟的信号转换?
本文将基于 Weathink(维芯科) 的典型硬件设计,深度解析 GM8775C 桥接芯片在 RK3588J 平台上实现双通道 LVDS 显示的技术核心。

1 方案架构:MIPI DSI 转 Dual-channel LVDS
1.1 核心 SoC:RK3588J
RK3588J 拥有 4 路 MIPI D-PHY,单路支持高达 4.5Gbps 的带宽。在工业场景下,其多核架构能轻松处理复杂的图形渲染,但物理接口的匹配需要通过桥接芯片完成。
1.2 桥接枢纽:GM8775C
GM8775C 是一款低功耗、高性能的 MIPI 转 LVDS 转换器:
输入端:接收来自 RK3588J 的 4-lane MIPI 信号。
输出端:支持单/双通道 LVDS 输出,最高分辨率可达 1080P@60Hz。
特性:其内置的 PLL 能够精确锁频,确保大规模数据传输时的图像同步。
2、 原理图设计关键技术点解析
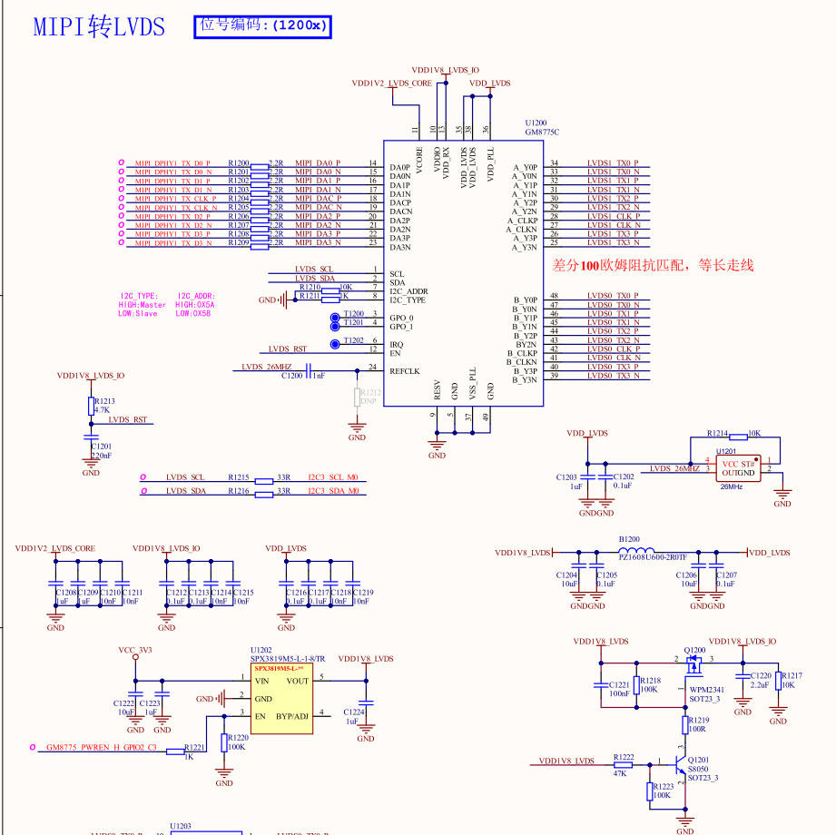
结合 Weathink 的实际原理图(位号编码:U1200),我们在电路设计阶段需严格把控以下要素:
2.1. 高速信号的阻抗匹配与等长走线
原理图中,RK3588J 输出的 MIPI 信号通过 R1200-R1209(2.2欧姆)匹配电阻接入 GM8775C。
关键点:由于 MIPI 和 LVDS 均属于高速差分信号,PCB 布线必须严格控制 100欧姆 差分阻抗。原理图特别标注了“差分100欧姆阻抗匹配,等长走线”,这是避免相位偏移、消除显示水波纹的核心操作。

图一 RK3588J连接GM8775C原理图
2.2. 多级电源解耦设计
为了确保显示画面的纯净度,GM8775C 的供电系统设计极为严谨:
VCORE (1.2V)、VDDIO (1.8V) 与 VDD_LVDS 分别独立供电。
滤波阵列:可以看到 C1208-C1219 组成了密集的电容阵列(1uF + 0.1uF + 10nF)。这种组合能有效覆盖高、中、低频干扰,降低时钟抖动(Jitter)。
2.3. 外部时钟与复位逻辑
有源晶振:U1201 输出稳定的 26MHz 时钟信号(LVDS_26MHZ),为视频解码提供基准频率。
复位时序:由 LVDS_RST 信号控制,配合上电时序电路,确保在 RK3588J 系统启动后,GM8775C 能处于正确的待机初始化状态。
2.4. I2C 控制链路
通过 LVDS_SCL 和 LVDS_SDA(连接至 U1200 的 Pin 1 & 2),主控 RK3588J 能够对 GM8775C 进行动态配置(如设置单/双路模式、时序调整等)。
3 软件调试与驱动要点
在 Weathink 的开发环境下,软件工程师通常需要完成以下步骤:
DTS 设备树配置:定义 MIPI 节点的输出时钟频率、通道数以及 VESA/JEIDA 格式。
Bridge 驱动适配:在内核中调用 GM8775C 的初始化序列,特别是在双通道模式下,需确保 A/B 两个 Channel 的数据分配逻辑正确。
时序微调:针对不同品牌(如京东方、群创)的 LVDS 屏,微调 H-Blank 和 V-Blank 参数,达到最佳显示效果。
结语
通过 RK3588J 配合 GM8775C 的方案,Weathink(维芯科) 成功解决了高性能 SoC 与工业大屏之间的接口断层问题。该方案不仅保证了信号传输的可靠性,更在国产化替代的浪潮中,为工业平板、中控大屏提供了极具竞争力的选型参考。
Weathink(维芯科):专注国产芯片应用,提供从原理图设计到驱动调优的全流程技术支持。
相关产品>
-
T153工控板
●CPU:T153,4核处理器,最高主频1 6GHz●MCU:600-MHz RISC-V E907●RAM:256MB 512MB 1GB DDR3●NAND:256MB 512MB NAND Flash●eM
了解详情
-

-
RK3588工控板
●CPU:Rockchip RK3588●架构:四核Cortex-A76 + 四核Cortex-A55●NPU:6TOPS●内存:4GB 8GB 16GB LPDDR4x●Flash:32GB
了解详情
-
瑞芯微RK3588核心板
●CPU:RK3588 RK3588J●架构:四核Cortex-A76 +四核Cortex-A55●NPU:6TOPS●RAM:4GB(默认) 8GB 16GB LPDDR4x●ROM:32GB(默认
了解详情
EN