瑞芯微 RK3568 的 HDMI 接口原理图设计
瑞芯微 RK3568 的 HDMI 接口原理图设计
瑞芯微 RK3568 是一款性能强大的多功能处理器,广泛应用于工业控制、消费电子和嵌入式设备。HDMI 接口作为现代显示系统的主流视频传输接口,支持高分辨率和多媒体功能,是 RK3568 中的重要功能之一。本文将详细介绍 RK3568 的 HDMI 接口原理图设计,包括接口原理、设计细节以及注意事项。
1. HDMI 接口原理
高清多媒体接口(英语:High Definition Multimedia Interface,缩写:HDMI)是一种全数字化影像和声音发送接口,可以发送未压缩的音频及视频信号。HDMI可用于机顶盒、DVD播放机、个人电脑、电视游乐器、综合扩大机、数字音响与电视机等设备。HDMI可以同时发送音频和视频信号。音频和视频信号采用同一条线材的设计大大简化系统线路的安装难度。
RK3568 有三路独⽴的 Video Port,在 rk3568 上,hdmi 可以和 vop 的 vp0,vp1 连接。如下图所示:

图一 关于RK3568 VOP和显示接口的连接关系
在 RK3568 中,HDMI 接口通过内部视频处理单元生成 TMDS 差分信号,并输出到外部的 HDMI 显示设备。
2. HDMI 接口原理图设计
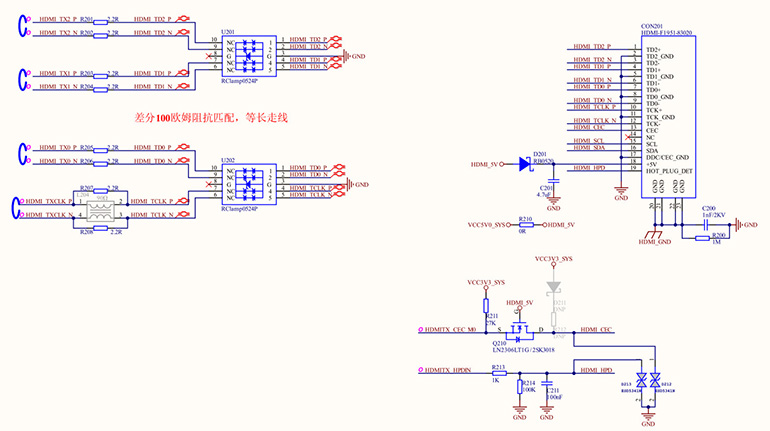
2.1 HDMI 信号输出引脚
RK3568 提供专用的 HDMI 信号引脚,用于输出 TMDS 差分信号和控制信号,常见的引脚包括:
●TX0±、TX1±、TX2±:三组 TMDS 数据差分信号对。
●TXC±:TMDS 时钟差分信号对。
●HPD(Hot Plug Detect):热插拔检测信号,用于检测 HDMI 设备是否连接。
●DDC(Data Display Channel):通过 I2C 接口与显示设备通信,传输 EDID 信息和 HDCP 密钥。

图二 关于RK3568的HDMI引脚

图三 关于RK3568的HDMI I2C引脚
2.2 TMDS 信号差分对设计
●阻抗控制:TMDS 差分对的阻抗需控制在 100Ω ±10%,以保证信号完整性。
●等长布线:差分信号对的两条信号线需保持长度一致,最大偏差应小于 0.15mm,以避免信号延迟和失真。
●屏蔽层设计:信号线布线应靠近地层,减少电磁干扰。
2.3 I2C信号设计
RK3568 的 DDC 接口通过 I2C 总线与显示设备进行通信。需在 SDA 和 SCL 信号线上添加 4.7kΩ 上拉电阻。布线时尽量避免过长的信号路径,以减少信号衰减。
2.4 电源和接口ESD设计
HDMI 接口通常需要提供 5V 的电源(HDMI_VCC)给外部显示设备使用。该电源需要通过 0.1µF 和 10µF 的去耦电容进行滤波,以减少高频噪声。
添加 ESD 保护器件(如 TVS 二极管)到电源和信号线上,防止静电损坏芯片。

图四 HDMI连接器接口部分
3. 总结
基于瑞芯微 RK3568 的 HDMI 接口设计,通过合理的电路设计,可以实现高质量的视频和音频输出。本文详细介绍了 RK3568 的 HDMI 接口引脚分布、电路设计要点和 PCB 布线注意事项,为开发人员提供了设计指导。通过以上设计与验证步骤,开发者能够构建一个稳定、可靠的 HDMI 接口,为嵌入式系统提供出色的多媒体功能。
杭州维芯科电子有限公司作为专业的主板设计公司,电路设计这一块严格按照芯片要求来设计,碰到任何问题,请随时联系维芯科,我司提供的WTB-RK3568S工控板是基于公司自主RK3568核心板设计,稳定可靠的工控机。
https://www.weathink.cn/products/danban/13.html
相关产品>
-
T153工控板
●CPU:T153,4核处理器,最高主频1 6GHz●MCU:600-MHz RISC-V E907●RAM:256MB 512MB 1GB DDR3●NAND:256MB 512MB NAND Flash●eM
了解详情
-

-
RK3588工控板
●CPU:Rockchip RK3588●架构:四核Cortex-A76 + 四核Cortex-A55●NPU:6TOPS●内存:4GB 8GB 16GB LPDDR4x●Flash:32GB
了解详情
-
瑞芯微RK3588核心板
●CPU:RK3588 RK3588J●架构:四核Cortex-A76 +四核Cortex-A55●NPU:6TOPS●RAM:4GB(默认) 8GB 16GB LPDDR4x●ROM:32GB(默认
了解详情
EN