TI AM62x 的 RGB 转 HDMI 原理图设计介绍
TI AM62x 的 RGB 转 HDMI 原理图设计介绍
TI AM62x 是美国德州仪器推出的一款高性能的处理器,广泛应用于工业和嵌入式系统。该芯片支持高速的RGB 接口输出,最高可达1920x1080P分辨率,在一般的工业环境中,RGB的传输距离受限,容易受到干扰,所以支持一个能够较长距离和稳定的显示方案尤为重要,所以需要将 RGB 信号转换为 HDMI,以适配现代高清显示设备。本文将介绍基于 TI AM62x 的 RGB 转 HDMI 原理图设计的核心原理和关键点。
1. RGB 转 HDMI 的工作原理
RGB 转 HDMI 的核心是将处理器输出的并行 RGB 信号转换为 HDMI 的 TMDS(Transition-Minimized Differential Signaling)信号。其基本流程如下:
●RGB 信号输出:AM62x 通过 RGB 接口输出视频数据,包括 RGB 数据(R[7:0]、G[7:0]、B[7:0])、时序信号(HSYNC、VSYNC)以及像素时钟(PCLK)。
●时序信号处理:确保 RGB 信号的时序符合 HDMI 标准,通过引脚或寄存器配置 RGB 时序参数(如分辨率、刷新率等)。
●信号转换:使用 RGB 转 HDMI 芯片(本文采用的是Sil9022),将 RGB 数据和同步信号转换为 HDMI 输出信号。
2.核心设计模块分析
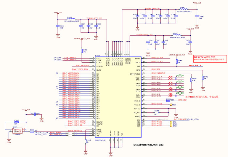
处理器 RGB 接口引脚连接如下图

图一 RGB转HDMI原理图
2.1 AM62x 的 RGB 接口包括 24 位数据线(R[7:0]、G[7:0]、B[7:0])、时钟信号(PCLK)以及控制信号(HSYNC、VSYNC、DE)。需要确认芯片的数据位宽和分辨率支持是否满足需求。
确保 PCB 布局时,数据线长度一致性,减少信号延迟和干扰。
2.2 RGB 转 HDMI 芯片选择
选择支持目标分辨率和刷新率的 RGB 转 HDMI 芯片,例如 Sil9022支持 1080p@60Hz。
芯片与处理器的时钟和同步信号需要精确匹配,以避免图像抖动或丢失帧。
以下是sil9022的框图:

图二 sil9022框图
2.3 I2C 配置接口
RGB 转 HDMI 芯片需要通过 I2C 配置寄存器来设定分辨率、时钟频率等参数。AM62x 自带 I2C 接口,可直接与转换芯片通信。在原理图中,需要为 I2C 总线添加上拉电阻(通常为 4.7kΩ)。
2.4供电设计
确保 RGB 转 HDMI 芯片的电源电压符合要求,如 3.3V 或 1.8V。添加必要的去耦电容(如 0.1µF 和 10µF),以减少电源噪声对信号的干扰。
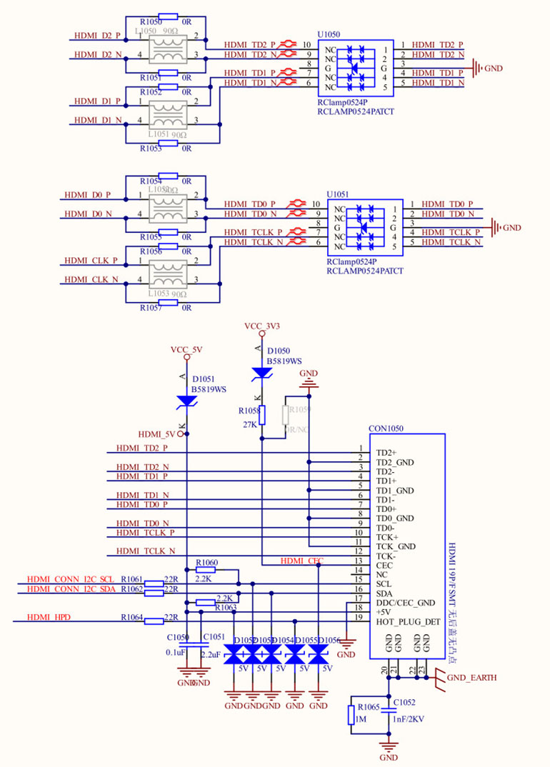
2.5 HDMI 接口设计
HDMI 接口的 TMDS 差分信号对需要精确匹配阻抗(一般为 100Ω),布线时保持差分信号对等长并靠近地层以减少电磁干扰。添加 ESD 保护电路,防止静电损坏芯片和 HDMI 接口。

图三 HDMI接口原理图
3. 原理图设计注意事项
3.1 信号完整性
确保 RGB 信号线和 TMDS 差分信号线的阻抗控制,避免信号反射或失真。在 PCB 设计中,差分对信号的布线长度偏差应小于 0.15mm。
3.2 电源管理
各电源引脚需单独去耦,减少高频噪声影响。对于 HDMI 输出,需要额外提供 5V 电源供电给外接设备(通过 HDMI VCC)。
3.3时钟同步
PCLK 是信号传输的基准时钟,需确保其频率稳定,建议使用晶振提供精准时钟源。
测试点布置。在关键信号(如 PCLK、HSYNC、VSYNC、TMDS 差分信号)处添加测试点,方便后期调试和信号测量。
4.总结
基于 TI AM62x 的 RGB 转 HDMI 设计,需要从处理器输出信号特性、转换芯片选型和 PCB 布线等方面综合考虑。通过合理的原理图设计和硬件调优,可实现高质量的 HDMI 视频输出,为现代显示应用提供可靠解决方案。维芯科作为TI的第三方合作伙伴,在电路设计方面可以提供一定的支持,推荐使用维芯科设计的AM62x核心板,WTC-AM62XXS核心板。
希望本文能为您的设计提供参考!如果需要更详细的设计支持或实际案例分享,请随时联系。
相关产品>
-
T153工控板
●CPU:T153,4核处理器,最高主频1 6GHz●MCU:600-MHz RISC-V E907●RAM:256MB 512MB 1GB DDR3●NAND:256MB 512MB NAND Flash●eM
了解详情
-

-
RK3588工控板
●CPU:Rockchip RK3588●架构:四核Cortex-A76 + 四核Cortex-A55●NPU:6TOPS●内存:4GB 8GB 16GB LPDDR4x●Flash:32GB
了解详情
-
瑞芯微RK3588核心板
●CPU:RK3588 RK3588J●架构:四核Cortex-A76 +四核Cortex-A55●NPU:6TOPS●RAM:4GB(默认) 8GB 16GB LPDDR4x●ROM:32GB(默认
了解详情
EN