瑞芯微RK3568 PCIe2.0 接 5G 模块的原理图设计方案
瑞芯微RK3568 PCIe 2.0 接 5G 模块的原理图设计方案
随着5G通信技术的普及,越来越多的嵌入式设备需要支持高速通信,以满足物联网、边缘计算和智能终端的需求。瑞芯微RK3568是一款高性能、低功耗的处理器,集成了PCIe 2.0接口,能够为5G模块提供高带宽和低延迟的连接方案。本文将详细介绍RK3568通过PCIe 2.0接入5G模块的设计与实现。
1. PCIe 2.0 与 5G 模块的关系
5G模块通常需要高速数据传输接口以实现高吞吐量、低延迟的通信能力,而PCIe(Peripheral Component Interconnect Express)是一种高性能、高带宽的串行接口,广泛应用于各种外设扩展中。针对5G模块,PCIe 2.0具备以下优势:
●高数据速率:PCIe 2.0单通道支持高达 5.0 GT/s(Gbps) 的数据传输速率,能够充分满足5G模块的带宽需求。
●低延迟:PCIe的点对点通信模式大幅降低了数据传输延迟。
●兼容性强:PCIe接口已成为许多5G模块(如Quectel、Fibocom等)的标准通信接口,便于集成。
●灵活扩展:支持多通道扩展,满足不同性能需求。
2. RK3568 的 PCIe 2.0 特性
瑞芯微RK3568作为一款面向物联网和嵌入式应用的SoC(System-on-Chip),其PCIe 2.0接口具有以下设计特点:
●PCIe控制器:支持 1个PCIe 2.1控制器。
●单通道数据速率:每通道支持 5.0 GT/s。
●灵活的设备支持:支持NVMe SSD、5G模块、Wi-Fi模块等多种外设。
●低功耗设计:支持动态电源管理,适用于低功耗场景。
●兼容性强:向后兼容PCIe 1.x设备,支持多种外设模块。
●RK3568的PCIe 2.0接口为连接5G模块提供了可靠的硬件基础。
3. 5G 模块的接口需求
目前主流的5G模块(如Quectel RM500Q、Fibocom FM150、SIMCom SIM8200EA)通常支持以下接口:
●PCIe接口:作为高速数据通信接口,用于与主处理器通信。
●USB 3.0接口:备用接口,适用于低带宽需求。
●UART接口:用于控制信号和调试。
●SIM卡接口:用于插入SIM卡以实现5G通信。
在高性能场景下,PCIe接口是首选,因为它能够提供比USB更高的带宽和更低的延迟。
4. RK3568 接 5G 模块的设计方案
4.1 硬件设计
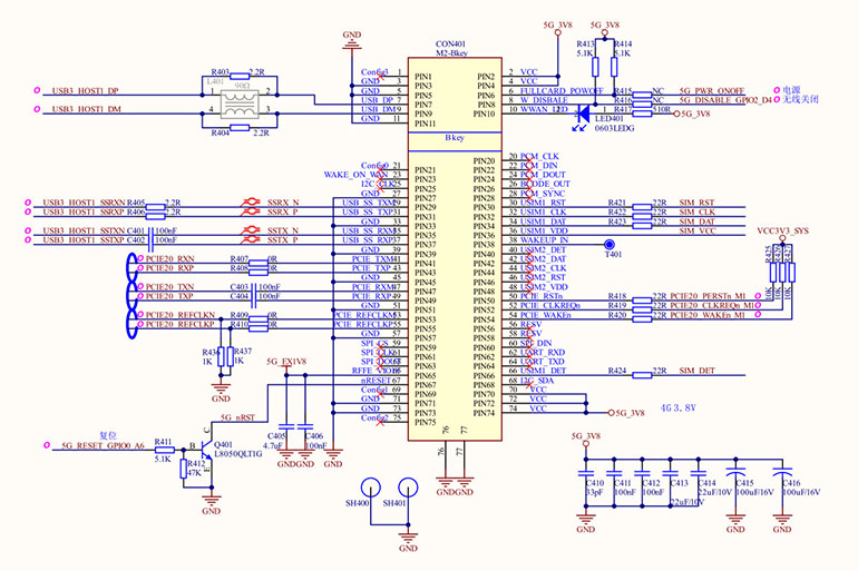
在硬件设计中,需要将RK3568的PCIe接口与5G模块的PCIe接口相连,本文采用标准M.2接口,同时提供必要的供电、时钟和信号处理支持。
4.1.1 PCIe信号连接
RK3568的PCIe 2.0接口引脚通过走线直接连接到5G模块的PCIe引脚。
确保差分对信号(TX/RX)的走线长度一致,以减少信号失真和干扰。

图一 5G模块M2接口接线图
4.1.2 电源设计
5G模块通常需要 3.8V 的供电,需在设计中加入稳压电源模块。为了确保稳定运行,可以在5G模块的供电端加入必要的滤波电容。本设计采用MPS的MP2145 高效率DCDC作为电源,瞬间电流可达5A

图二 电源设计
4.1.3 SIM卡支持
将SIM卡接口与5G模块连接,用于插入SIM卡以支持5G网络。

图三 SIM卡接口接线图
4.1.4 其他注意
PCIE20_TXP/N差分信号上串接的100nF交流耦合电容,AC耦合电容建议使用0201封装,更低的ESR和ESL,也可减少线路上的阻抗变化 |
PCIE20只支持RC模式,不支持EP模式。 |
PCIE20_REFCLKP/N可支持输出也可支持输入,默认为输出 |
PCIE20_CLKREQn和PCIE20_WAKEn必须使用功能脚,不能用GPIO替代,特别说明:选择时,必须都是选择_M0或_M1或_M2,不能一个_M0一个_M1 |
PCIE20_PERSTn可以选择功能脚也可以使用GPIO替代,选择功能脚时,必须和PCIE20_CLKREQn和PCIE20_WAKEn同一组_M |
标准的PCIe Slot:PCIE20_CLKREQn,PCIE20_WAKEn,PCIE20_PERSTn为3.3V电平 |
PCIE20_PERSTn建议在Slot管脚增加一个100nF电容,加强抗静电能力。 |
PCIE20_PRSNT为Add In Card插入检测脚,可以使用GPIO。 |
参考图提供10W Slot设计,如需更高支持,请根据产品实际应用相应调整电源方案。 |
PCIe Slot的3.3VAUX管脚电源分配请根据需求相应调整。 |
PCIe Slot的3.3V和12V电源去耦电容建议使用参考图,如果需要更高功率支持,12V的电源去耦电容相应增加。 |
4.2 软件设计
在软件层面,需要对RK3568的Linux系统进行配置,以支持5G模块的正常工作。
PCIe驱动开发
在RK3568的操作系统中加载PCIe驱动,确保5G模块被正确识别。检查PCIe链路状态,确保链路训练成功并达到Gen2速率。
5G模块驱动
根据5G模块厂商提供的驱动程序(如Quectel、Fibocom),在Linux内核中加载相应的驱动。驱动通常包括数据面驱动和控制面驱动,分别负责数据通信和模块配置。
调试与优化
使用dmesg命令查看PCIe和5G模块的初始化日志,检查是否有错误。使用iperf等工具测试5G网络的吞吐量,优化软件配置。
5. 应用场景
RK3568通过PCIe 2.0接口连接5G模块,为以下场景提供了解决方案:
●5G 边缘计算:利用5G的高速低延迟特性,实现边缘计算设备与云端的实时通信。
适用于视频分析、智能安防等领域。
●5G工业物联网(IIoT):在工业环境中,通过5G模块实现设备间的高速数据传输和远程控制。适用于智能工厂和远程监控场景。
●5G 智能网关:作为物联网网关,RK3568通过5G模块连接云端,处理大量设备数据。
适用于智慧城市和智能家居。
●便携式设备:RK3568与5G模块的结合适用于需要高速通信的便携式设备,如直播设备、便携式路由器等。
6. 设计优势
高性能数据传输:PCIe 2.0提供了高达5.0 GT/s的速率,充分满足5G模块的性能需求。
低延迟:点对点连接模式大幅降低了通信延迟,适合实时性要求高的应用。
灵活扩展:支持多种5G模块(Quectel、Fibocom等),兼容性强。
低功耗设计:通过动态电源管理,优化整体功耗。
总结
瑞芯微RK3568通过PCIe 2.0接口连接5G模块,提供了高性能、低延迟的高速通信解决方案。这种设计不仅满足了物联网、边缘计算等场景对5G通信的需求,还展现了RK3568在灵活性和兼容性方面的优势。通过合理的硬件设计和软件优化,RK3568能够为开发者提供强大的5G通信能力,助力更多智能应用落地。
如果需要进一步的技术支持或参考设计,请随时联系维芯科,我司提供的WTB-RK3568S工控板板载支持M.2接口的5G模块。
相关产品>
-
T153工控板
●CPU:T153,4核处理器,最高主频1 6GHz●MCU:600-MHz RISC-V E907●RAM:256MB 512MB 1GB DDR3●NAND:256MB 512MB NAND Flash●eM
了解详情
-

-
RK3588工控板
●CPU:Rockchip RK3588●架构:四核Cortex-A76 + 四核Cortex-A55●NPU:6TOPS●内存:4GB 8GB 16GB LPDDR4x●Flash:32GB
了解详情
-
瑞芯微RK3588核心板
●CPU:RK3588 RK3588J●架构:四核Cortex-A76 +四核Cortex-A55●NPU:6TOPS●RAM:4GB(默认) 8GB 16GB LPDDR4x●ROM:32GB(默认
了解详情
EN