TI AM6252外接ALC5616音频Codec原理图设计与要点分析
TI AM6252外接ALC5616音频Codec原理图设计与要点分析
摘要
本文详细介绍了TI AM6252处理器如何通过I2S接口外接ALC5616音频Codec的原理图设计方法。这些设计原则也完全适用于基于Weathink AM62x 核心板的方案,旨在为硬件工程师提供一套完整、可落地的设计指南。本文内容对于开发基于TI AM6252或AM625x系列处理器的音频相关产品至关重要,是理解其硬件设计的宝贵参考。
如果您在开发过程中遇到技术难点,或需要更深入的硬件设计与软件驱动支持,欢迎随时联系我们,Weathink专业团队将为您提供一站式解决方案。
1. AM6252与音频Codec:为什么需要外部方案?
TI AM6252是一款高性能、低功耗的应用处理器,广泛应用于工业HMI、网关和边缘计算等领域。虽然它集成了多媒体功能,但为了实现高质量的音频输入/输出、支持多种音频格式或特殊功能(如麦克风阵列),通常需要外接专用的音频Codec芯片。在实际产品开发中,为了缩短设计周期、降低复杂性,许多工程师会选择使用核心板(System on Module,SOM)。例如,使用Weathink AM62x 核心板,开发者无需处理复杂的AM6252核心电源和DDR布线,可以将精力集中在外接ALC5616音频Codec等外设的原理图设计上,从而实现高质量的音频输入/输出。音频Codec负责将数字音频数据(例如来自AM6252)转换为模拟信号(播放),并将模拟信号(例如来自麦克风)转换为数字信号(录音)。AM6252通过标准接口与Codec进行通信,最常用的是I2S(集成音频)和I2C(控制)。
2. 核心接口与ALC5616 Codec选型
在设计原理图之前,首先需要选择合适的音频Codec芯片。例如,ALC5616就是一款与AM6252兼容性良好的选择。这款Codec芯片通常集成了ADC(模数转换器)、DAC(数模转换器)和耳机/扬声器驱动,功能全面。

图一 ALC5616框图
2.1 I2S接口:音频数据传输
I2S(Inter-IC Sound)接口是AM6252与ALC5616之间传输音频数据的核心。它通常包含以下四根信号线:
BCLK (Bit Clock):位时钟,用于同步数字音频数据流。
WCLK (Word Clock) / LRCLK (Left-Right Clock):字时钟,用于标识左右声道数据的起始。
DOUT (Data Output):数字音频数据输出,AM6252向ALC5616发送音频数据。
DIN (Data Input):数字音频数据输入,ALC5616向AM6252发送音频数据。
设计要点:
时钟源:AM6252可以配置为I2S Master或I2S Slave模式。
Master模式:由AM6252提供BCLK和WCLK,ALC5616作为从设备同步。这种模式配置相对简单,是推荐的首选。
Slave模式:由ALC5616提供BCLK和WCLK,AM6252作为从设备同步。需要确保ALC5616提供的时钟满足AM6252的时序要求。
引脚连接:在原理图中,将AM6252的I2S引脚(通常在引脚复用表中查找)直接与ALC5616对应的I2S引脚相连。例如,AM6252的MCLK(主时钟)通常也需要连接到ALC5616,为其提供参考时钟。在使用Weathink AM62x 核心板时,这些I2S、MCLK等核心接口信号引脚都已通过SOM的连接器引出,开发者只需参考SOM的引脚定义进行连接即可。
2.2 I2C接口:Codec寄存器配置
I2C(Inter-Integrated Circuit)接口用于AM6252向ALC5616发送控制指令,例如设置采样率、音量、增益、模式等。
设计要点:
SDA (Data) 和 SCL (Clock):将AM6252的I2C引脚与ALC5616的I2C引脚相连。
上拉电阻:I2C总线是开漏输出,必须在SDA和SCL线上连接上拉电阻。电阻值通常为2.2kΩ或4.7kΩ,具体取决于总线电容和工作频率。
地址:ALC5616芯片有一个固定的I2C从机地址,需要在AM6252的软件驱动中进行配置。
2.3 复位与中断
复位(RESET):ALC5616芯片通常有一个复位引脚。建议将此引脚连接到AM6252的一个GPIO引脚,以便软件可以控制ALC5616的启动和复位时序。
中断(INT):如果ALC5616支持中断功能(例如检测到耳机插入/拔出),可以将其中断输出引脚连接到AM6252的一个GPIO,用于产生中断请求,实现快速响应。
3. 电源与地线设计
电源是稳定运行的基础,特别是对于模拟和数字混合的音频Codec。
电源轨:AM6252通常使用1.8V、3.3V等电源。ALC5616芯片也需要多个电源轨,例如数字核电源(DVDD)、模拟电源(AVDD)和IO电源(IOVDD)。确保ALC5616的IOVDD电压与AM6252的IO电压匹配,以保证电平兼容。
去耦电容:在ALC5616芯片的每个电源引脚附近,都必须放置去耦电容,通常是0.1μF和10μF的组合,以滤除高频噪声和提供瞬时电流。
地线:这是至关重要的一点。为确保音频质量,ALC5616的**模拟地(AGND)和数字地(DGND)**必须进行单独处理,最后只在单点(例如ALC5616附近)连接在一起。PCB布局时,应使用完整的地平面。
4. 原理图示例与分析

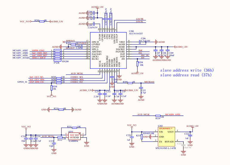
图二 AM6252连接ALC5616的接法

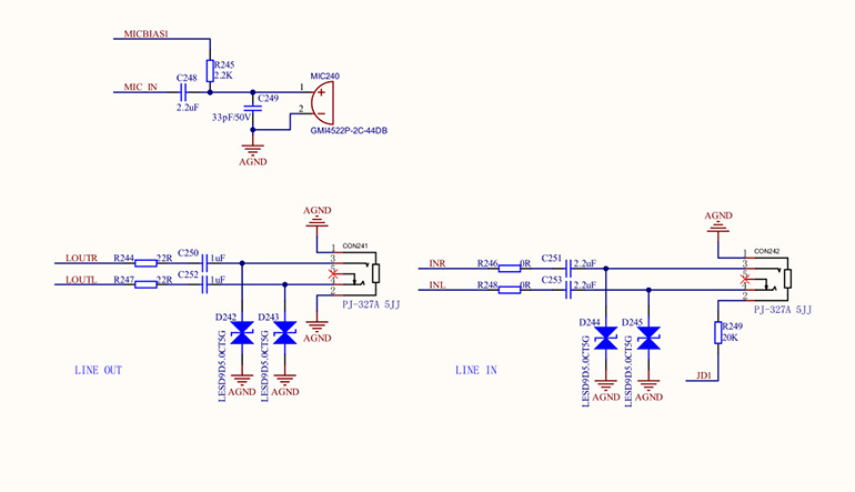
图三 AM6252连接ALC5616的对外接口
该原理图展示了AM6252处理器与ALC5616音频Codec的实际连接细节。您可以参考此图来验证您的设计,并重点关注以下几个方面:
电源连接:检查所有ALC5616所需的电源轨(DVDD, AVDD, IOVDD)是否正确连接,并有足够的去耦电容。
信号走线:确认I2S和I2C信号线是否直接、无干扰地连接。
外围电路:检查音频输入/输出部分的滤波电路、耦合电容以及耳机插座的连接是否正确。
5. PCB布局关键要点
良好的PCB布局是确保音频质量的关键,甚至比原理图本身更重要。
区域划分:在PCB上,将模拟音频部分(ALC5616的模拟输出、输入、耳机接口)与数字电路部分(AM6252、I2S、I2C)分开,避免数字信号噪声干扰模拟信号。
地平面:使用独立的模拟地和数字地平面,并通过一个0Ω电阻或磁珠连接。这有助于隔离噪声。
信号走线:
I2S信号线:走线应尽量短且等长,以保持信号完整性。
模拟音频走线:应远离任何高速数字信号线,走线应粗且有完整地线包围。
电源滤波:在ALC5616的电源输入端,应使用π型滤波(电感-电容-电容)或磁珠进行滤波,以减少电源噪声。
6. 软件驱动与配置
硬件设计完成后,软件方面也需要相应的支持。在基于Linux的AM6252系统中,需要:
设备树(Device Tree)配置:在设备树文件中,定义AM6252的I2S和I2C接口,并描述所连接的ALC5616芯片(例如,指定其I2C地址、工作模式等)。
ALSA驱动:Linux的ALSA音频框架提供了对ALC5616的支持。正确配置设备树后,系统会自动加载相应的驱动,使ALC5616能够被系统识别和使用。
具体设备树配置和驱动的Porting需要专业的团队来做,可以联系我们。
7. 总结
TI AM6252(当然也包含AM6254)外接ALC5616音频Codec的原理图设计是一个综合性的工作,它不仅涉及核心接口连接,更需要关注电源、地线和PCB布局等多个方面。特别地,采用像Weathink AM62x 核心板这样的核心板方案,可以极大地加速开发进程,因为它提供了一个经过验证的、稳定的硬件平台,让您能够专注于实现独特的产品功能,例如本文讨论的音频功能。
如果您在项目开发过程中,对AM6252硬件设计、ALC5616音频驱动或Weathink核心板有任何疑问,需要更深入的技术支持或定制化服务,欢迎随时联系我们,我们的专业团队将竭诚为您服务。
相关产品>
-
T153工控板
●CPU:T153,4核处理器,最高主频1 6GHz●MCU:600-MHz RISC-V E907●RAM:256MB 512MB 1GB DDR3●NAND:256MB 512MB NAND Flash●eM
了解详情
-

-
RK3588工控板
●CPU:Rockchip RK3588●架构:四核Cortex-A76 + 四核Cortex-A55●NPU:6TOPS●内存:4GB 8GB 16GB LPDDR4x●Flash:32GB
了解详情
-
瑞芯微RK3588核心板
●CPU:RK3588 RK3588J●架构:四核Cortex-A76 +四核Cortex-A55●NPU:6TOPS●RAM:4GB(默认) 8GB 16GB LPDDR4x●ROM:32GB(默认
了解详情
EN